Расчёт ТВЗ для однотактного усилителя
Аннотация:
Чем дальше мы отходим от ламповой эпохи, тем больше в интернете создаются различные мифы о выходных трансформаторах и способах их изготовления.
У некоторых производителей цена на такие изделия может доходить и до нескольких сотен различных валютных денег.
А можно ли самому сделать качественные трансформаторы? Если ещё это для кого-то актуально, то поделюсь своими выкладками расчёта ТВЗ для однотактного (SE) усилителя НЧ.

В сети не мало готовых вариантов выходных трансформаторов, практически на все случаи жизни. Однако при детальной проверке выясняется, что большинство из них, при постоянном токе уже насыщают сердечник.
Причина - не правильно выбран воздушный зазор, величина которого сильно зависит от тока подмагничивания и количества витков. Мнение, что на 100 ма постоянного тока необходим зазор 0,1 мм – не верно.
Не существует в природе такой формулы, чтобы по ней разом рассчитать все нужные величины ТВЗ, т.к. многие параметры нам приходится выбирать самим из своих предпочтений или возможностей.
Безусловно, имеющийся в наличии сердечник необходимо протестировать на предмет его параметров: индукцию насыщения, вычислить магнитную проницаемость и т д. Это существенно упростит расчёт ТВЗ и сделать его более оптимальным. Однако далеко не всем это удовольствие по силам, особенно начинающим и не имеющим специализированного образования.
В этой статейке попытаюсь рассказать, как его рассчитать без измерений магнитных свойств, основываясь на формулы из физики и не только.
Вначале выложу необходимые формулы, а затем на основании этих формул приведу расчёт конкретного ТВЗ для триодного SE УНЧ.
Итак, начнём с определения величины зазора. (Для кого-то это покажется странным, но странного ничего нет, т.к. у нас много неизвестных величин и все они могут встречаться в одной формуле, что приводит к нерешаемой задачи.) Выше указывал, что величина зазора зависит от количества витков и тока подмагничивания. Т.к. количество витков первичной обмотки нам неизвестно, но оно обычно находится в пределах 2500 – 3000 витков (в некоторых конструкциях, где применяются триоды с очень низким внутреннем сопротивлением (Ri), 1500 – 2000 витков). Поэтому при расчёте зазора возьмём приблизительное количество витков первичной обмотки, а потом это всё подкорректируем. А сам зазор на это время назовём «эквивалентным зазором». Он тоже будет подкорректирован.
1. Есть такая приблизительная, но довольно точная формула определения величины зазора
(толщины прокладки):
(прокладки мм) = 
Величина эквивалентного зазора будет вдвое больше, т.е. * 2.
2. Далее вычисляется напряжённость магнитного поля в зазоре:

3. Вычислив напряжённость магнитного поля в зазоре сердечника, легко вычислить индукцию постоянного подмагничивания.
(Тесла), где 
Так как величина немагнитного зазора очень мала, по сравнению с длиной магнитного пути сердечника, то индукция подмагничивания будет одинаковой и в самом сердечнике и в зазоре.
4. Вычисляем напряжённость магнитного поля в сердечнике:

5. Теперь можно уточнить величину (длину) немагнитного зазора.

6. Далее можно вычислить магнитную проницаемость железа:

Магнитную проницаемость железа можно вычислить и другим способом. А именно, во сколько раз напряжённость магнитного поля в зазоре больше напряжённости магнитного поля в сердечнике, это и есть магнитная проницаемость сердечника, т.е.

7. И последнее, если кого очень интересует индуктивность первичной обмотки. При данном расчёте она получается больше необходимой, что благотворно влияет на НЧ диапазон. Я индуктивностью сильно не заморачиваюсь и проверяю по приближённой, но достаточно точной формуле:

Остаётся проверить все эти выкладки на реальной конструкции.
Маленькое предисловие;
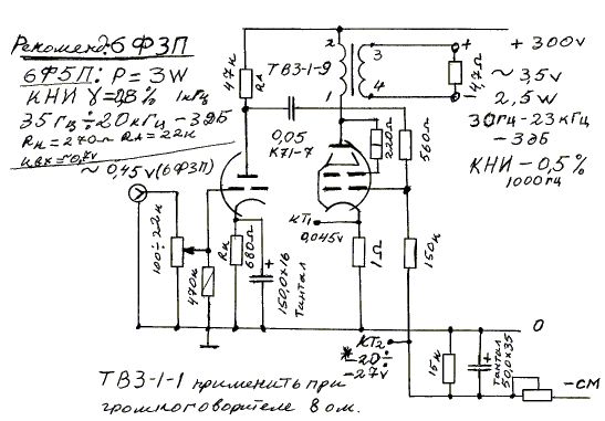
Когда-то давно, на работе, лето, начальство в отпуске, работы мало, решил быстренько собрать УНЧ по предложенной схеме Манакова, на лампе 6Ф3П, пентод в триоде. Всё для этого было под рукой. Единственное я сделал изменение, ТВЗ намотал на сердечнике от трансформатора ОСМ – 100 Ватт. Примерно те же самые витки, что и у ТВЗ-1 – 9, тот же коэффициент трансформации, увеличив диаметр проводов в соответствии с размерами каркаса. Что запомнилось, ничего не пришлось подстраивать. Номиналы деталей что на схеме, выставили сразу тот же режим, как только установил необходимое смещение ламп. Но самое главное, звук оказался настолько шикарным, что практически не уступал УНЧ на триоде 6С4С. Очень солидное звучание. Мощность порядка 3 Вт, для любой комнаты советских квартир более чем достаточно, даже на дубовую акустику с чувствительностью 86 Дб.
Вот его и проверим. Итак, схема, нарисованная рукой Манакова:

Что нам из неё нужно?
Ток покоя лампы Io = 45 ma, лампа немного перегружена по постоянному току, но вполне терпит.
Длина магнитной силовой линии ОСМ – 100 Ватт = lжелеза = 15,9 см.
Площадь рабочего керна S = 9,6 кв. см. Мощность УНЧ – 3 Ватта.
Почему я выбрал этот сердечник? В сети найти ответ на этот вопрос не так просто. В учебниках Цикина, Войшвилло и других - заморочка с коэффициентами. Причём в те времена ставился упор на экономию меди и стали. Тогда никто и не думал получить с усилителя 20 Гц, а то и менее, по НЧ.
Я решил воспользоваться советами иностранных компаний, которые выбирают минимальный габарит сердечника (объём железа) для SE триодного УНЧ из расчёта 2 – 3 кубических дюйма на 1 Ватт мощности.
Можно и меньшие габариты применить, играть будет. Но, потеряем в мощности из-за низкого КПД, высокое выходное сопротивление УНЧ, что не понравится многой акустике.
Ввиду того, что моя акустика дубовенькая, я решил взять 3 куб. дюйма. Итого, что получается:
2,54 * 2,54 * 2,54 * 3 * 3 (Вт) = 147 куб. см.
Если этот объём разделить на площадь рабочего керна, то получим длину магнитной силовой линии сердечника.
147 : 9,6 = 15,3 см. У 100 Вт ОСМ она 15,9 см. Чуточку больше. Не существенно и не повредит. Лучше вполне может быть. С сердечником определились.
Далее будем считать по приведённым формулам. Не буду их повторять, а только подставлять цифры и вычисления.
У ТВЗ - 1 – 9 на сколько помню, первичная обмотка содержит 2520 витков. Я беру для данного ТВЗ – 2600. При необходимости произведу корректировку.
- Прокладка в зазоре будет 0,045 х 2600 / 800 = 0,146 мм. Значит длина эквивалентного зазора = 0,146 * 2 = 0,29мм.
- Напряжённость магнитного поля в зазоре будет равна 2600 * 0,045 / 0,00029 = 403448 А/м.
- Индукция постоянного тока…. Здесь маленькое отступление.
Сама электротехническая сталь Э-320 и ей подобные - очень не плохие. Но плохие были станки, которые её резали и навивали. И если нет возможности провести измерения магнитных свойств сердечника, не советую превышать индукцию подмагничивания Во – 0,5 Тесла для шихтованных (Ш – образных) сердечников, и 0,6 Тесла для ленточных.
Итак, Во = 1,256 * 403448 / 1000000 = 0,506 Тл. ( здесь МЮо преобразовано как 1,256 / 1000000).
Для меня такая индукция вполне приемлема. Если кто-то желает поднять индукцию до 0,6 Тесла, пересчитать по формулам, на предмет увеличения количества витков, напряжённости магнитного поля в зазоре, а так же длину зазора.
Для примера: Напряжённость магнитного поля в зазоре (для Во = 0,6 Тл) = 0,6 * 1000000 / 1,256 = 477707. Тогда количество витков первичной обмотки ( из формулы 2) W1 = 477707 * 0,00029 / 0,045 = 3078 витков.
Увеличив число витков, необходимо скорректировать (увеличить) длину немагнитного зазора, формула 5.
!!! Но, я бы не советовал мотать первичную обмотку более 3000 витков, т.к. увеличивается активное сопротивление обмотки, понижается КПД, и повышается выходное сопротивление усилителя.
- Напряжённость магнитного поля в сердечнике 2600 * 0,045 / 0,159 = 735,8 = 736 А / м.
- Уточняю длину немагнитного зазора. 0,045 * 2600 * 1,256 / 1000000 * 0,506 = 0,29 мм.
Всё сходится.
- Магнитная проницаемость сердечника 0,506 * 1000000 / 736 * 1,256 = 547 Гн/м.
- Или Или 403448 / 736 = 548 Гн/м. Здесь разница получилась в том, что не учитывались десятые, сотые доли. Она не существенна.
- Индуктивность = 2600 * 0.00096 * 0,509 / 0,045 = 28 Гн. Что вполне достаточно. Уточню, что такая индуктивность будет на максимальном сигнале. На малом сигнале она несколько снизится, но не окажет какого-либо существенного влияния на НЧ диапазон.
Вот как бы и всё.
П.С. Количество витков вторичной обмотки, коэффициент трансформации, диаметры проводов? Конструктивный расчёт не привожу, т.к. считаю, что с этим не сложно справиться самостоятельно. Тем более у каждого различная акустика, различные способы намотки по плотности. Единственное могу посоветовать секционирование, минимально 7 секций.
Первичку в 4-х секциях, например 433 – 866 – 866 – 433 витков. Между ними в 3-х секциях вторичную обмотку. На каркасе может не получиться разместиться ровно 2600 витков. Немного больше или немного меньше – не имеет существенного значения.
А вторичную обмотку желательно рассчитать так, что бы все её витки умещались в один слой. А все слои соединить параллельно.

Определившись с сопротивлением нагрузки (Ra), коэффициентом трансформации и количеством витков вторичной обмотки, выполнив конструктивный расчёт, вычислить КПД, выходное сопротивление усилителя по известным формулам, решить, подходит ли вам данный сердечник. Или применить его поменьше (побольше).
Удачи в расчётах, намотке ТВЗ. И приятного звука!