|
Двухполярный блок питания
|
|
| spb-nik | Дата: Пятница, 29.09.2023, 15:51 | Сообщение # 1681 |
 Администратор Николай
Группа: Администраторы
Сообщений: 817
Статус: Offline
| Да, шестнадцатеричный файл подходит. На вход VA нужно подключить "Канал 1", на "Канал 2" ничего подключать не нужно. Индикатор будет показывать только V1 и A1. На канале V2 и A2 ничего отображаться не будет.
|
| |
| |
| javhungle97 | Дата: Суббота, 30.09.2023, 16:29 | Сообщение # 1682 |
Hùng Lê
Группа: Пользователи
Сообщений: 3
Статус: Offline
| спасибо за ответ на мой вопрос.... я имею в виду, что хочу удалить часть, отображающую A2 И V2, оставив только A1 И V1, есть ли на этом форуме какой-нибудь шестнадцатеричный файл, который работает на этой схеме
|
| |
| |
| nean | Дата: Суббота, 30.09.2023, 19:02 | Сообщение # 1683 |
|
Модератор Андрей
Группа: Модераторы
Сообщений: 521
Статус: Offline
| Цитата javhungle97 (  ) есть ли на этом форуме какой-нибудь шестнадцатеричный файл, который работает на этой схеме Нет, так не получится. С этим шестнадцатеричным файлом канал A2 И V2 всё равно будут отображаться, только ничего не будут показывать. Чтобы его не было, нужно менять шестнадцатеричный файл полностью, или менять схему ампервольтметра на другую, с другим шестнадцатеричным файлом.
|
| |
| |
| myzvips | Дата: Воскресенье, 29.10.2023, 11:12 | Сообщение # 1684 |
Maotsedun
Группа: Пользователи
Сообщений: 50
Статус: Offline
| Здравствуйте! Собираю блок питания по этой схеме Применил высоковольтные ОУ MC34071P. У меня на выходе конденсатора С1 (3300uF) получилось 41V, все хорошо. Хотел подцепить туда кренку L7824CV на 24 вольта для питания 24-вольтового кулера. Но проблема в том что по даташиту максимальное входное напряжение 35 вольт. Как можно решить эту проблему не снижая напряжение и не прибегая к дополнительному источнику питания? Кулер 24V, по маркировке потребляет 0,31А. Подскажите если не сложно.
Сообщение отредактировал myzvips - Воскресенье, 29.10.2023, 11:17 |
| |
| |
| semen | Дата: Воскресенье, 29.10.2023, 18:40 | Сообщение # 1685 |
Семен
Группа: Пользователи
Сообщений: 118
Статус: Offline
| Вот так можно сделать. Транзистор любой средней (большой) мощности на напряжение 60 и выше.
|
| |
| |
| miola3003 | Дата: Воскресенье, 02.02.2025, 18:41 | Сообщение # 1686 |
Oleg Mikhailevsky
Группа: Пользователи
Сообщений: 8
Статус: Offline
| Народ, помогите, плиз
С БП у меня всё ОК, а вот индикация - не работает При включении засвечиваются все нижние знакоместа (пустые прямоугольники) - и всё Но есть нюанс - я включал модуль LCD без входных цепей
Сообщение отредактировал miola3003 - Воскресенье, 02.02.2025, 19:20 |
| |
| |
| nean | Дата: Воскресенье, 02.02.2025, 20:39 | Сообщение # 1687 |
|
Модератор Андрей
Группа: Модераторы
Сообщений: 521
Статус: Offline
| Основное - это прошивка. Вы уверены, что МК прошит правильно, ещё резистор контрастности, который на 1-2-3 ножки индикатора идёт - покрутите. Может контрастность сильно закручена. Если прошивка нормальная и контрастность в норме, то отсутствие микрух на входе МК сильно не влияет, показания какие нибудь, всё равно будут. Вот подобный индикатор, показания и без микрух присутствуют.
|
| |
| |
| miola3003 | Дата: Понедельник, 03.02.2025, 20:58 | Сообщение # 1688 |
Oleg Mikhailevsky
Группа: Пользователи
Сообщений: 8
Статус: Offline
| Цитата nean (  ) Вот подобный индикатор, показания и без микрух присутствуют. Спасибо за желание помочь! С прошивкой вроде проблем не было Писалась, читалась, проверялась. Есть небольшие сомнения в правильных фьюзах - я шил AVRDUDE, а у автора схемы фьюзы даны из PONYPROG. Но у них вроде бы одинаково? И там и там - инверсные? Сам дисплей проверил через LPT порт. Выводятся конечно кракозябры (тестовая программа - русскоязычная), но реакция на сброс и выод символов - правильная. Ну, прошью ещё одну Атмегу и буду тщательно проверять печатку. P.S. В местных магазинах нет ОУ MCP 602, к сожалению. Варианты замены есть?
Сообщение отредактировал miola3003 - Понедельник, 03.02.2025, 21:03 |
| |
| |
| nean | Дата: Понедельник, 03.02.2025, 22:15 | Сообщение # 1689 |
|
Модератор Андрей
Группа: Модераторы
Сообщений: 521
Статус: Offline
| Любые операционники можно в принципе поставить, у которых напряжение питания от 3-х вольт. Например из самых простых LM358. Тоже должны нормально работать от 5-ти вольт. В крайнем случае (если не пойдут), то запитать их от отдельного стаба на 9 вольт, хотя , думаю, что и не понадобится.
|
| |
| |
| miola3003 | Дата: Вторник, 04.02.2025, 00:24 | Сообщение # 1690 |
Oleg Mikhailevsky
Группа: Пользователи
Сообщений: 8
Статус: Offline
| Цитата nean (  ) Вот подобный индикатор, показания и без микрух присутствуют. ТРИЖДЫ спасибо! Вот учили меня в детстве - "в электронике есть только 2 неисправности - либо нет контакта, где он нужен, либо есть контакт, где он не нужен" Каюсь - плохо проверил печатку, нашёл "соплю" - и всё заработало! Радости - полные штаны. Перешёл к силовой части и стал в тупик - а что это за "стабилизаторы" на схеме ЖК индикаторов?
|
| |
| |
| spb-nik | Дата: Вторник, 04.02.2025, 10:39 | Сообщение # 1691 |
 Администратор Николай
Группа: Администраторы
Сообщений: 817
Статус: Offline
| Цитата miola3003 (  ) Перешёл к силовой части и стал в тупик - а что это за "стабилизаторы" на схеме ЖК индикаторов? Под стабилизаторами автор обозначил оба канала блока питания, а выход БП - это три клеммы на передней панели самого БП. То есть плюс-минус одного стабилизатора - это выход одного канала БП, плюс-минус другого - соответственно выходы второго канала БП. Это общая схема всего БП, где сами каналы обозначены этими квадратиками, соответственно Ваше подключение не правильно. Должно быть так.
|
| |
| |
| miola3003 | Дата: Вторник, 04.02.2025, 10:51 | Сообщение # 1692 |
Oleg Mikhailevsky
Группа: Пользователи
Сообщений: 8
Статус: Offline
| Цитата spb-nik (  ) Должно быть так. Дай Бог тебе счастья, здоровья и удачи, добрый человек!
|
| |
| |
| miola3003 | Дата: Вторник, 04.02.2025, 23:38 | Сообщение # 1693 |
Oleg Mikhailevsky
Группа: Пользователи
Сообщений: 8
Статус: Offline
| Цитата spb-nik (  ) Должно быть так. Немного причесал БЛОК-СХЕМУ. Если всё верно - её бы в топике форума закрепить, гораздо меньше вопросов у народа будет.
|
| |
| |
| spb-nik | Дата: Среда, 05.02.2025, 09:24 | Сообщение # 1694 |
 Администратор Николай
Группа: Администраторы
Сообщений: 817
Статус: Offline
| Цитата miola3003 (  ) её бы в топике форума закрепить Спасибо, вставим в статью, будет понятнее.
|
| |
| |
| miola3003 | Дата: Суббота, 08.02.2025, 17:14 | Сообщение # 1695 |
Oleg Mikhailevsky
Группа: Пользователи
Сообщений: 8
Статус: Offline
| Цитата miola3003 (  ) Должно быть так. Подключил к плате индикатор LCD16166 (давно лежали 2 шт без дела) И был приятно удивлён - на него вывелись показания ПЕРВОГО блока питания. Читаю мануалы, но пока не понимаю - а ДВА таких индикатора можно заставить работать от нашей Атмеги;? Контроллеры на них стоят оригинальные HD44780 (made in Japan!)
|
| |
| |
| spb-nik | Дата: Суббота, 08.02.2025, 17:34 | Сообщение # 1696 |
 Администратор Николай
Группа: Администраторы
Сообщений: 817
Статус: Offline
| Цитата miola3003 (  ) а ДВА таких индикатора можно заставить работать от нашей Атмеги;? Нет, наверно не получится. У них вывод информации устроен по разному, такой-же, как и в индикаторе 8х2. То есть если подключить 8х2, тоже будет выведено половина информации.
|
| |
| |
| miola3003 | Дата: Воскресенье, 09.02.2025, 23:40 | Сообщение # 1697 |
Oleg Mikhailevsky
Группа: Пользователи
Сообщений: 8
Статус: Offline
| Понял, спасибо. Была шальная мысль - когда-то в молодости делал приставку в осциллографу, был там коммутатор, который на экран выводил 2 луча. Вот и мечтал - а нельзя подобный фокус с двумя LCD16166 сделать. "Как молоды мы были...."
|
| |
| |
| sasha06541 | Дата: Воскресенье, 06.04.2025, 01:09 | Сообщение # 1698 |
sasha06541
Группа: Пользователи
Сообщений: 3
Статус: Offline
| подскажите по поводу двухканального вольтамперметра на атмеге 8 и на мср602 канал по минусу расхождения с тестером в 5 вольт подстроечным резистором напряжение не регулируется ампераж показывает нормально, в чем может быть причина??? канал по плюсу регулируется и показывает нормально, менял мср602 все без изменений
|
| |
| |
| semen | Дата: Воскресенье, 06.04.2025, 22:42 | Сообщение # 1699 |
Семен
Группа: Пользователи
Сообщений: 118
Статус: Offline
| Попробуйте на меге поменять входы вольтметров, то есть 25 23 ноги между собой. Если регулировка появится в минусовом канале (регулировать "плюсовым" подстроечником), значит у вас или подстроечник дохлый, или какой из резисторов в обвязке мср602. Проверьте все детали.
|
| |
| |
| sasha06541 | Дата: Среда, 09.04.2025, 22:55 | Сообщение # 1700 |
sasha06541
Группа: Пользователи
Сообщений: 3
Статус: Offline
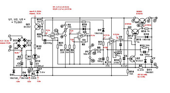
| проверил детали вроде все целое,(собирал вольамперметр на трех операционниках тот, что в статье) поменял подстроечник регулируются показания напряжения в меньшую сторону в большую не регулируется выше 21.3 вольта при реальных 26 вольтах, попробую еще сделать так как вы написали еще вопрос по блоку питания: собрал по такой схеме
 при напряжении на коллекторе Q4 ( временно стоит TIP 41)+33 вольта регулируется напряжение от 0 до 26 вольт, на базе и эмитере Q4 максимальное напряжение не выше 26 вольт точно такая же ситуация и на базе и эмитере Q2 (BD139) и на вых 6 (U2 TL081) не могу найти почему не регулируется на 6 вых.(u2) напряжение до 31.6 вольта, -5.5 вольт есть остальные напряжения в пределах нормы, все детали пересмотрел вроде все целые и соответствуют номиналам в схеме
Сообщение отредактировал sasha06541 - Четверг, 10.04.2025, 17:05 |
| |
| |