|
Измеритель транзисторов не выпаивая из платы.
|
|
| myzvips | Дата: Четверг, 01.01.2026, 09:07 | Сообщение # 1 |
Maotsedun
Группа: Пользователи
Сообщений: 50
Статус: Offline
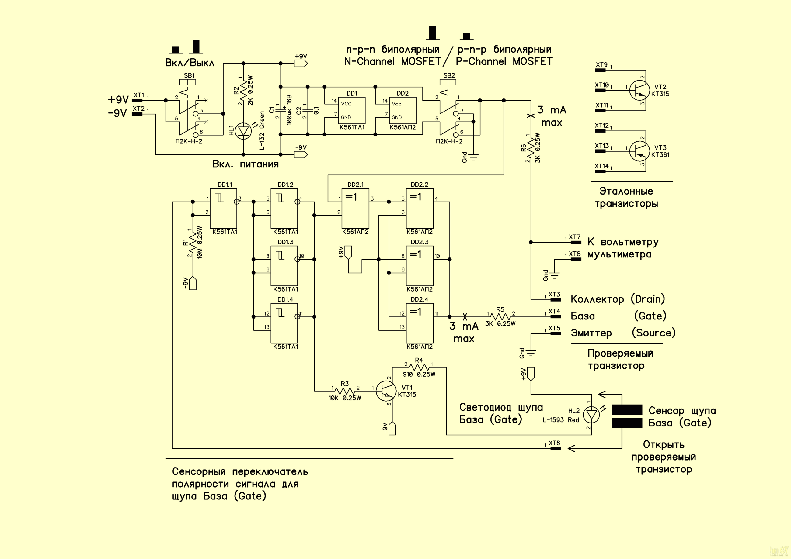
| Всем привет и с наступившем 2026 годом!  Я наткнулся на одну статью в интернете про тестер транзисторов не выпаивая из платы, меня заинтересовал приборчик и хотел собрать, платку вытравил, но есть вопросы и прошу вас ответить если не трудно. Статья тут: https://radiokot.ru/artfiles/6784/ , автор пишет что запитывает от шести пальчиковых батареек типа АА, по схеме видно что питание двухполярное. Но шесть батареек на два плеча питания это по 4,5 вольта получается на плечо, а на схеме указано по 9 вольт, как это понимать? Задумал запитывать приборчик от небольшого импульсного БП, но хотел из однополярки в двухполярку преобразовать, порылся в интернете, нашел схемку, подойдет ли? Или посоветуйте проще или лучше схемку. http://rcl-radio.ru/?p=35570 Только вот в формулу рассчета балластного резистора что писать если я не знаю ток потребления приборчика?
Сообщение отредактировал myzvips - Четверг, 01.01.2026, 09:10 |
| |
| |
| spb-nik | Дата: Четверг, 01.01.2026, 10:18 | Сообщение # 2 |
 Администратор Николай
Группа: Администраторы
Сообщений: 817
Статус: Offline
| Цитата myzvips (  ) автор пишет что запитывает от шести пальчиковых батареек типа АА, по схеме видно что питание двухполярное. Где видно, что питание двухполярное? С чего Вы это решили? Полярность меняется здесь только на щупах переключателем SB2 при проверке транзисторов разных типов проводимости.
Цитата myzvips (  ) Задумал запитывать приборчик от небольшого импульсного БП, но хотел из однополярки в двухполярку преобразовать Не мудрите и собирайте так, как есть, напряжение питания 9 вольт.
|
| |
| |
| myzvips | Дата: Четверг, 01.01.2026, 10:51 | Сообщение # 3 |
Maotsedun
Группа: Пользователи
Сообщений: 50
Статус: Offline
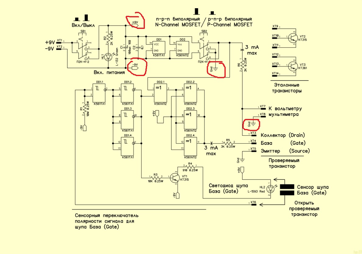
| spb-nik, спасибо что ответили! По поводу двухполярного питания, посмотрите прикрепленную схему, я красным обвел, разве это не двухполярное питание? И забыл спросить, я вместо сенсора хотел бы кнопку применить, но по схеме вижу что при замыканий контактов сенсора + идет на - через резистор образуя кз, или это нормально для маломощного резистора
Сообщение отредактировал myzvips - Четверг, 01.01.2026, 10:56 |
| |
| |
| spb-nik | Дата: Четверг, 01.01.2026, 12:52 | Сообщение # 4 |
 Администратор Николай
Группа: Администраторы
Сообщений: 817
Статус: Offline
| Это не двухполярное питание. Здесь питание само по себе и общий провод (земля) сам по себе (кстати ещё один забыли обвести). А чем Вас сенсор не устраивает? Трудно вывести два контакта на корпус прибора? Но можно и кнопку поставить, если хотите, только последовательно с ней нужно будет включить резистор 10-20 кОм.
|
| |
| |
| myzvips | Дата: Четверг, 01.01.2026, 19:33 | Сообщение # 5 |
Maotsedun
Группа: Пользователи
Сообщений: 50
Статус: Offline
| Все понятно, спасибо что обьяснили! Я схему не так понял). Сенсор делать на ручке нет возможности, колечек на ручку нет, поэтому микрокнопку задумал поставить на ручку. А на корпус неудобно кнопку выводить, две руки и три щупа то. Резистора на 0,125 Вт достаточно? Вот думаю, питать от импульсного бп не критично ли для схемы...
Сообщение отредактировал myzvips - Четверг, 01.01.2026, 19:35 |
| |
| |
| spb-nik | Дата: Пятница, 02.01.2026, 12:40 | Сообщение # 6 |
 Администратор Николай
Группа: Администраторы
Сообщений: 817
Статус: Offline
| Цитата myzvips (  ) Резистора на 0,125 Вт достаточно? Вот думаю, питать от импульсного бп не критично ли для схемы...
Можно и меньшей мощности (SMD). Можно и от импульсника.
|
| |
| |
| myzvips | Дата: Понедельник, 05.01.2026, 16:20 | Сообщение # 7 |
Maotsedun
Группа: Пользователи
Сообщений: 50
Статус: Offline
| Собрал я этот прибор, запустился с полпинка. Потестировал на платках с транзисторами, отличный помощник, мне понравился прибор. Вместо сенсора применена кнопка подключенная через резистор 10кОм. Запитывал прибор 9V от импульсного БП от роутера, нормально работает. Спасибо вам большое за подсказки!
Сообщение отредактировал myzvips - Понедельник, 05.01.2026, 16:20 |
| |
| |